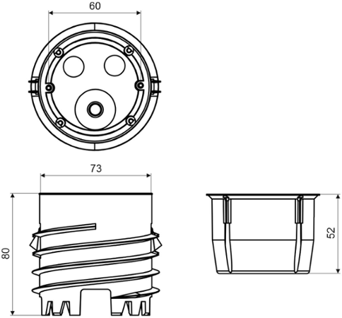
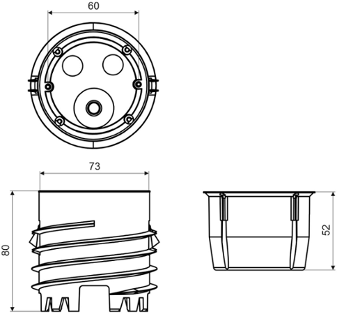
Kopos KEFZ 80_KB
Pro instalaci přístrojů v zateplených fasádách budov od tloušťky izolační vrstvy 80 mm. Krabice je vhodná do fasádních polystyrenů i minerálních vat. Krabici je možné montovat i do finálně zhotovených zateplených fasád. Součástí balení je šroubovací nosič, elektroinstalační krabice, montážní návod a příslušné vruty. Pro první instalaci je třeba koupit set KEFZ 80/VDZ, který navíc obsahuje ruční vrtací sestavu. Robustní konstrukce.
Parametry
- Hmotnost 0,08 kg/ks
- Materiál PP
- Bezolovnatý materiál ano
- Samozhášivý materiál 30 s
- Jmenovité napětí <= 400 V
- Jmenovitý proud <= 16 A
- Teplotní odolnost -25 - 60 °C
- Zkouška žhavou smyčkou 850 °C
- Průměr 73 mm
- Hloubka 52 mm
- Třída reakce na oheň podkladového materiálu A1 - F
- Umožňuje montáž dvojzásuvky ano








