Eleman DDS353 1F 1008811
Jednofázový elektroměr s LCD displejem pro střídavé napětí 230 V, 50Hz, slouží k měření činné elektrické energie v přímém zapojení do obvodu. Je určen na podružná fakturační měření spotřeby samostatných spotřebičů nebo spotřebičů ve skupinách (MID certifikace - dle 2014/32/EU). Jedná se o přesný elektroměr, který měří již od minimálních hodnot protékajícího proudu (0,25 A) až po 50 A, velký LCD display zobrazuje hodnoty na číselníku od 00000,01 až 99999,99 [kWh] a to bez přivedeného napájení po dobu až 10ti let (záleží na okolním prostředí), zobrazené naměřené hodnoty nelze vymazat. Indikační LED blikají při odběru konkrétní fáze. Elektroměr má impulzní výstup (1000imp. / 1kWh ==> 1x bliknutí = 0,001 kWh) na svorkách (20) S0+ a (21) S0-. To umožňuje připojení externího zařízení, které počítá impulzy (S0 dle normy DIN 43864) generované elektroměrem. Ke správné funkci elektroměru se nevyžaduje zapojení tohoto doplňkového zařízení. Montuje se na nosnou lištu 35 mm (DIN lištu), vestavná šířka jen 18 mm (1 mod.) -> šetří prostor v rozváděči. Šroubové svorky pro pohodlné připojení vodičů až do průřezu 10 mm2, svorky pro nulový vodič "N" jsou vzájemně (galvanicky) propojené a není nutné rozdělovat "N" vodič. Utahovací moment šroubů : svorka č. 1 a 3 = 1,5 - 2,5 Nm, svorka č. 4 a 6 = 1,5 - 2,5 Nm. svorka č. 20 a 21 = 1,0 - 1,2 Nm. Vlastní spotřeba je cca 8VA/ 0.4W.
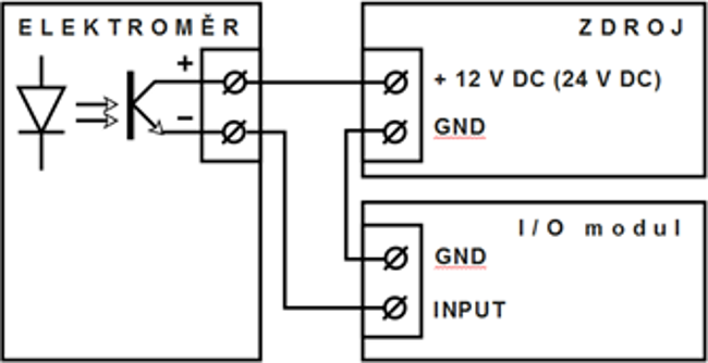
Informace o S0 výstupu
S0 je rozhraní definované normou DIN 43864 a každý elektroměr by jím měl být vybaven. Stejně tak lze S0 výstup získat z plynoměru, z vodoměru, z měřiče tepla a dalších zařízení. Potřebujete znát množství energie, které elektroměr změřil? Díky S0 rozhraní můžete snadno, přesně a velmi levně získat informace o odběru energie. Napětí ... 12 až 27 V DC Proud... 27 mA Šířka impulzu ... 90 ms Limitní hodnoty: max. 60 V DC max. 50 mA
Parametry produktu
- Počet měřených fází: 1-fázový
- Maximální měřený proud [A]: 50
- Typ displeje: LCD displej
- Podsvětlený displej Ne
- Počet tarifů elektroměru: 1-tarifní
- Přímé/nepřímé měření: Přímé měření
- Způsob montáže elektroměru: Na nosnou lištu 35 mm
- Certifikace MID: Ano
- Max. průřez připoj. vodičů: 10 mm2








